产品中心
PRODUCT SHOW


产品简介
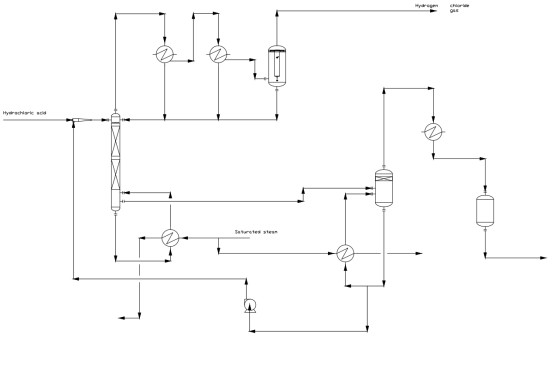
盐酸钙法深解析技术及成套设备工艺过程:在酸中加入破共沸剂,打破盐酸共沸点,解析出氯化氢气体,干燥后供用户使用。破共沸剂经浓缩后循环使用适用范围:该系统适用于任何浓度的盐酸。配合硫酸干燥和分子筛干燥,可···
新闻资讯
盐酸钙法深解析技术及成套设备

工艺过程:
在酸中加入破共沸剂,打破盐酸共沸点,解析出氯化氢气体,干燥后供用户使用。
破共沸剂经浓缩后循环使用
适用范围:
该系统适用于任何浓度的盐酸。
配合硫酸干燥和分子筛干燥,可得到高纯度、极低水分的氯化氢。
技术特点:
1. 解析效率高:任何浓度的盐酸均可解析得到高纯氯化氢和低于0.5%的稀酸水;
2. 能耗低:破共沸剂浓缩部分采用双效浓缩或三效浓缩,大大降低蒸汽消耗和运行成本;
3. 自动化程度高:采用PLC或DCS控制,现场无人值守。
4. 合理设计换热网络,能量利用率高,运行费用低。
公司邮箱: 903818626@qq.com
服务热线: 187-9592-6898
公司地址: 南京市溧水区石湫镇明觉集镇